抗尘耐高温!捷朗气气换热器破解锂电池干燥 烘烤余热回收难题

锂电池生产中,干燥、注液、化成、烘烤等工艺产生的 40-120℃余热,需高效回收以实现节能提效,而捷朗气气换热器凭借针对性设计,在关键环节展现突出优势。
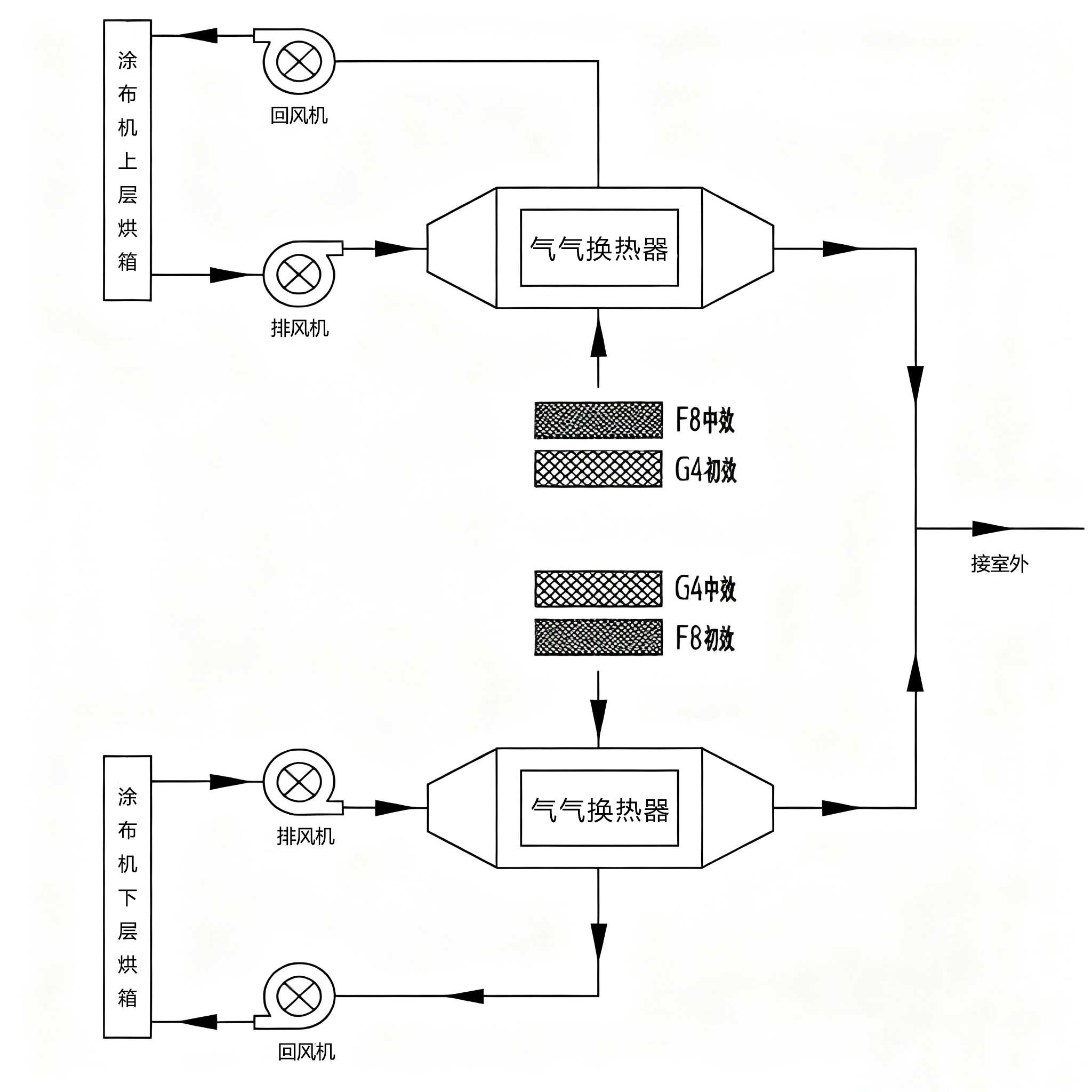
一、正负极材料干燥环节:抗尘耐用,节能显著
  • 适配性:正负极干燥环节余热风含粉尘且温度达80-100℃,捷朗气气换热器(翅片管式)专为抗粉尘设计,采用大间距强化翅片结构,不仅能减少粉尘堆积,避免频繁清理影响生产,还可轻松应对含尘余热风工况。
  • 核心优势:相比普通气气换热器,捷朗产品抗堵塞能力提升 40%,且换热效率更高,能将常温新风稳定加热至50-60℃后送入干燥机,使干燥能耗降低幅度超行业平均的 25%-35%,同时有效避免余热风直排导致的车间升温,营造更优生产环境。
  • 运维便利:采用易拆洗设计,后续清理维护耗时减少 50%,大幅降低工厂运维成本与人力投入。
二、电芯烘烤 / 封装环节:耐高温、梯级利用更高效
  • 适配性:烘烤环节100-120℃高温余热风需梯级回收,捷朗气气换热器选用 304 不锈钢优质基材,耐高温性能优异,可长期稳定耐受 120℃以上工况,且密封结构经过特殊优化,能有效防止烘烤炉内有害气体泄漏,保障生产安全。
  • 核心优势:在一级余热回收中,捷朗气气换热器换热效率比普通产品高 15%-20%,可快速将新风加热至 60-70℃送入烘烤炉,直接降低烘烤能耗 30%-40%;进入二级回收阶段,即使余热温度降至60-70℃,仍能保持高效换热,助力加热生活或清洗用水,最大化挖掘余热价值,实现 “高温高效用、低温不浪费” 的梯级利用目标。
从干燥到烘烤,捷朗气气换热器以 “抗尘耐用、耐高温、高换热效率、易运维” 的核心优势,精准匹配锂电池余热回收需求,不仅为工厂大幅降低能耗与成本,更以稳定可靠的性能保障生产连续性,成为锂电池企业余热回收项目的优选设备。
 
分享

推荐

  • toolbar